
MDM3100综合电力测控仪采用模块化结构设计,可用于电力系统的监测和控制。仪表实时测量、分析:U、I、F、P、Q、kWh、kvarh、cosφ等电力参数。具有RS-485通讯接口、可编程的4路继电器输出、模拟量输出(0-5V和4-20mA任选)、2路电能脉冲输出(有功、无功电能各一路)、8路遥信量输入、数据存储、Profibus通讯协议、以太网通讯等功能。仪表采用大屏幕高亮背光LCD显示,可同时显示多个测量参数,方便实用且美观大方。
• 适用范围:单相、三相三线、三相四线 (包括不平衡负载)
• 功能及特点
1. 测量范围:电压、电流、有功功率、无功功率、视在功率、功率因数、频率、有功电能、无功电能;
2. 电压、电流为RMS(真有效值)测量;
3. PT(1~6500)、CT(1~6500)可现场编程设定;
4. 量程自动切换功能;
5. RS-485通讯接口,标准Modbus协议,波特率设定范围为2400、4800、9600、19200bps;
6. 四路或八路开关量信号输入(选项)
7. 四路电量可编程模拟量输出 (4~20mA/0~5V任意一种)(选项);
8. 四路电量可编程越限报警及继电器输出(选项);
9. 继电器报警、输出由上位机编程设定,所有越限动作信号均可通过RS-485通迅口读出;
10. 可设定的继电器的动作延时时限及释放延时时限;
11. 2路电能脉冲输出(有功电度、无功电度),脉冲常数可设定;
12. 具有上位机校表功能,数字化校准;
13. PT、CT 、通讯地址、通讯速率、脉冲常数、密码等参数可由上、下位机设定,其余参数由上位机编程设定,密码保护;记忆所有设定值和电能数据,数据掉电不丢失;
14. 防雷、防浪涌设计;
15. 完善的电磁兼容性设计,适合在强电磁干扰的复杂环境中使用。
• 测量的参数
|
参数 |
显示范围 |
方向 |
精度等级 |
|
电压 |
0~9999kV |
|
0.2级(5%--100%范围) |
|
电流 |
0~9999kA |
|
0.2级(5%--100%范围)(In 0.5级) |
|
功率因数 |
-1~+1 |
有方向 |
1.0 级 |
|
频率 |
45~65Hz |
|
0.01Hz |
|
有功功率 |
-9999~9999Mw |
有方向 |
0.5级 |
|
无功功率 |
-9999~9999MVAr |
有方向 |
0.5级 |
|
视在功率 |
0~9999MVA |
|
0.5级 |
|
有功需量 |
-9999~9999MW |
|
1.0级 |
|
无功需量 |
-9999~9999MVAr |
|
1.0级 |
|
有功电度 |
0~9999999.99MWh |
有方向 |
1.0级 |
|
无功电度 |
0~9999999.99MVArh |
有方向 |
2.0级 |
|
相角 |
0.0°~359.9° |
有方向 |
2.0级 |
|
电流总谐波含量 |
0~100% |
|
2.0级 |
|
电压总谐波含量 |
0~100% |
|
2.0级 |
• 技术指标
> 输入:
电流输入:0~5A(电流可设置)
测量范围:0.5 %~120%In
测量功耗:每相不大于0.2V
电压输入:0~690VAC()L-L(电压可设置)配合互感器使用可测量高压。
测量范围:3%~120%Un(小于9V屏蔽为0V)
测量功耗:每相不大于0.5VA
频率范围:45~65Hz;
> 辅助电源:85V~265VAC/DC;
> 整机功耗:< 8VA;
> 过载能力:
电流:2倍额定值(连续),
电压:2倍额定值(连续),2500V/1S(不连续);
> 响应时间:≤400mS;
> 继电器接点容量:
> 延时时限:0~255S,分辨率为:1S;
> 显示:76mmX66mmLCD,亮度可调;
> 工作温度:-20~+
> 工作湿度: 5~95%RH;
> 存储温度:-40~+
> 外壳材料: 阻燃性符合UL94V0;
> 外形尺寸:96㎜×96㎜×86㎜;
> 主机+模块尺寸:96㎜×96㎜×122㎜;
> 面板开孔尺寸:91㎜×91㎜;
概 述
MDM3001S综合电力测量仪采用模块化结构设计,可用于电力系统的监视与测量。仪表实时测量和分析:U、I、In(零序电流)、F、P、Q、S、cosφ、kWh、kvarh等电力参数。具有RS-485通讯接口、2路电能脉冲输出(有功电能、无功电能)、需量、极值记录、复费率等功能。仪表采用高亮LED四行显示,可同
时显示分相、合相(或平均)等多个测量参数,方便实用且美观大方。
应用范围:单相、三相三线、三相四线电力系统(可设置)。
EMC及安全标准
静电放电抗干扰检验:参照标准IEC6
工频磁场抗扰度检验:参照标准IEC6
快速瞬变:参照标准IEC6
安全要求:参照标准IEC61010-1 (GB/T4793.1)。
技术参数
电流输入:
输入电流: 0~5A(电流可选 )
测量范围:0.5%~120%In
过载能力:2倍额定值连续,100A/1s不连续
测量功耗:每相不大于0.2VA
电压输入:
输入电压:线电压0~690VAC(可设置)
频率范围:45~65Hz
测量范围:3%~120%Un(小于9V屏蔽为0V)
过载能力:2倍额定值连续,2500V/1s不连续
测量功耗:每相不大于0.5VA
开关量输入(可选 ):
输入路数:1路
输入类型:干接点
隔离电压:2500VAC
串行通讯接口(可选 ):
输出路数:1路RS-485接口
通讯协议:Modbus-RTU协议
波特率:2400/4800/9600/19200/38400bps
模拟量输出(可选 ):
输出路数:1路可编程
输出类型:4~20mA或0~5V(只能选择一种)
响应时间:小于400ms
脉冲输出(标配 ):
输出路数:2路(有功电能无功电能各一路)脉冲常数可设定
复费率(可选 ):
时段数:2~ 12段(时段可跨天 )
时间间隔:30分钟的整数倍
记录月份:最近4个月份
费率类型:尖、峰、平、谷
测量精度
|
参数 |
显示范围 |
方向 |
测量精度 |
|
电压 |
0~9999kV |
|
0.2级 |
|
电流 |
0~9999kA |
|
0.2级(IN为0.5级) |
|
功率因数 |
-1.0~+1.0 |
有方向 |
1.0级 |
|
频率 |
45~65Hz |
|
0.01Hz |
|
有功功率 |
-9999~9999MW |
有方向 |
0.5级 |
|
无功功率 |
-9999~9999Mvar |
有方向 |
0.5级 |
|
视在功率 |
0~9999MVA |
|
0.5级 |
|
有功功率 |
0~9999999.9MWh |
有方向 |
1.0级 |
|
无功功率 |
0~9999999.9Mvarh |
有方向 |
2.0级 |
一般技术参数
温度漂移系数:<100PPM/℃
输入对输出耐压:2500V/1分钟
整机功耗:<5W
工作温度:-20℃~+60℃
存储温度:-40℃~+85℃
工作湿度:5~95%RH
污染等级:2级
外壳材料:阻燃性符合UL94V0
外形尺寸:96mm×96mm×86mm
开孔尺寸:91mm×91mm
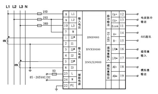
1、概述:
DNS9000电子式有功电能表、DNXS9000电子式无功电能表,以及DNS(X)9000电子式有无功组合电能表适用于单相、三相三线、三相四线电力系统的电能测量,能现场设定PT及CT,并具有停电数据不丢失、功率变送模拟输出、电度脉冲输出及RS485接口等功能。采用工业级设计,仪表为盘式安装结构,具有稳定性高和抗干扰强等优点。
2、通用技术指标:
测量模式:单相、三相三线、三相四线
输入电压:0~693VAC(L-L),可直接输入PT一次侧最大电压为600kV
输入电流:0~5A,CT一次侧最大电流为6000A
频 率:50Hz/60Hz
功率因数:0.5(容性)~1 ~0.5(感性)
精度等级:有功电能0.5级、1级(可选),IEC1036-1996,GB/T17215-1998无功电能2级,IEC61268-1995,GB/T17882-1999模拟量输出:0.5级,GB/T13850-1998过载能力:电压< 2倍,2秒 电流< 10倍,1秒
显 示:电度由八位LED显示,单个字高9mm, 宽6mm,电流由六位LED显示,单个字高9mm, 宽6mm测量方向:可双向计量
复 费 率:时段:2~12/时段(可跨天)30分钟整数倍尖、峰、平、谷
输 入:1路遥信量输入(干接点)
输 出:模拟输出:0~5V或4mA~20mA(只对表的瞬时功率模拟输出)电度脉冲输出:光电隔离无源输出
通讯接口:RS485数字接口(MODBUS协议)
辅助电源:24V~80VAC/DC;85V~265VAC/DC
功 耗:< 6VA
电表常数:1000imp/kWh
工作温度:-20℃~+60℃
储存温度:-40℃~+85℃
湿 度:5~95%RH不结露
防护等级:UL94-V-0外壳材料
外形尺寸:96×96×78mm3
开孔尺寸:91×91mm2
3、选型表:

注:① DNS9000为电子式有功电能表,DNXS9000为电子式无功电能表,DNS(X)9000为有无功组合电能表。② 电压≤600VAC可直接输入。
4、接线图:
三相三线接线图:

三相四线接线图:

1、概述:
PRO EX 5系列数显变送智能表,是集数字显示、遥信量输入、模拟量变送输出、RS-485通信接口输出、超限报警、继电器输出等功能组合在一起的智能仪表。该表通过对电网中的参数进行测量变换,经CPU数据处理,将电流、电压、功率(有功、无功)、功率因数、频率等电参数由表头直接显示,同时输出与其相对应的4~20mA、0~5V等模拟量信号,或者通过RS-485通信接口与上位机进行数据交换,实现自动化监测及控制。被测值超过设定的上下限时,仪表报警及继电器输出控制信号,为保证继电器在临界点稳定工作,仪表有回差设定功能。
仪表采用模块化功能设计,可根据需要进行功能组合选择。该表可以独立作为一般的数字显示表使用,也可以选择模拟量输出功能作为同时具有显示一次测量值的变送器使用,也可以选择RS-485数字通信接口,作为同时具有显示一次测量值的数据采集器使用,也可以选择继电器输出功能作为常规报警保护使用,也可以将几个功能同时选择,作为同时具有数显、变送、数据通信、遥信检测和报警控制的多功能的仪表使用。
该表适用于电力及自动化测控系统,可广泛用于水利、电力、厂矿企业、设备制造业及基础减色领域。该表符合GB/T 13978-2008、GB/T 13850-1998、IEC6
2、通用技术指标:
· 精度等级:0.2级 0.5级 1.0级
· 辅助电源:85~265V AC/DC
· 功耗:≤3VA(48×48及48×96规格);≤5VA(96×96规格)
· 长期稳定性:年变化率≤±0.2%
· 温度系数:100ppm/℃
· 输入过载能力: 连续过载能力 ≤1.2倍(满足精度要求),短时过载能力 电压 ≤3倍,电流 ≤30倍
· 模拟量变送输出:恒压输出, 负载电阻 Rext≥250Ω(0-5V输出时)恒流输出, 负载电阻 Rext≤750Ω(20mA输出时)Rext=∞时 电压限值 ≤20V,交流纹波 ≤18mV(峰-峰值),响应时间 ≤300mS(特殊订货≤100mS)
· 数字量输出: RS-485通信接口,Modbus协议
· 继电器输出: 常开接点,接点容量:5A/250VAC,10A/24VDC
· 端子板材料:PPO,阻燃性符合UL94V0
· 绝缘电阻:≥100MΩ
· 安装方式:面板安装
· 安装开孔尺寸:
· 工作环境温度:
· 工作环境湿度: ≤95%(无凝露)
· 储存环境温度:
· 储存环境湿度: ≤95%
· 抗电强度:2.5KV (特殊订货可达4KV)
· 绝缘电阻: ≥100MΩ
· 提供特殊订货
3、PRO EX系列数显变送智能表共同特点:
1、 自动变换小数点显示
2、 测量单位自动切换
3、 零点、满度校正功能
4、 CT、PT、仪表地址、通信速率、上下限报警值、回差值可编程设定
5、 密码保护参数设定功能
6、 长寿命、超亮度LED显示
7、 防雷、防浪涌保护功能
8、 可用于恶劣的现场环境
概述
采用最新技术和新材料制造的PRO系列电量变送器,在电路、工艺、结构等方面与过去的变送器相比都有了较大的改进,使得其测量精确度更高,工作更稳定,而且价格趋于合理化,具有极高性能价格比,在国内外市场上有较好的声誉。本产品设计、生产、制造均严格符合国际标准IEC688-1992《交流电量转换为模拟量或数字信号的电工测量变送器》、国家标准GB/T 1385-1998《交流电量转换为模拟量或数字信号的电测量变送器》、CE、UL、CSA等有关标准要求。PRO系列变送器完全满足电磁兼容(EMC)和可靠隔离完全满足IEC1010和NE61010的最重要的要求和标准。
PRO系列产品共同特点:
·精度等级:0.2级,0.5级
·辅助电源:85~230V AC/DC、24~60VAC/DC
·长期稳定性:年变化率≤±0.2%
·输入过载能力:连续过载能力:≤1.5倍(满足精度要求),短时过载能力:电压≤3倍、电流≤30倍
·输出:恒压输出,负载电阻 Rext≥250Ω(5V输出时),恒流输出,负载电阻 Rext≤500Ω(20mA输出时)
·Rext =∞时电压限值:≤20V
·交流纹波:≤18mV(峰-峰值)
·响应时间:≤ 300ms(特殊订货≤100ms)
·保护等级:II(完全绝缘,DIN EN 61010)
·防护等级:IP40,外壳(测试导线,EN 60529) IP20,端子(测试线柱,EN 60529)
·污染水平:II
·抗电强度:2.5kV
·外壳材料:Lexan 940(聚碳酸脂)阻燃性符合 UL 94V0
·安装方式:DIN 35mm轨道安装
·端子接线:≤4.0mm2或者2 x 2.5mm2双线
·工作环境温度:-20℃ ~ +60℃
·储存温度:- 40℃ ~ +85℃
·储存湿度:≤90%RH
·保修期:二年